Hubungi sales kami di Whatsapp 081388920119 / 087782736393
Buka aplikasi seluler


Sales DevsaanSenin - Jumat: 09:00 - 17:00 & Sabtu: 09:00 - 15:00
Halo! Butuh pompa ? Boleh saya bantu ? 💁
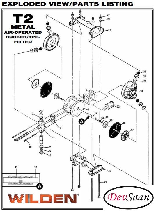
Jual Diaphragm Pump Wilden T2 / AAAAB / BNS / BN / ABN / 0014 - Bahan Aluminium / Buna-N - Pompa Diafragma Wilden
Item : 02-10003
Kami jual Wilden Pump U.S.A. (Pabrik di Cina) model T2 Turbo-Flo dengan name plate & dus asli.
WILDEN Diaphragm Pump Indonesia : Importir pompa Wilden PT. Devsaan Industech. Kami jual diaphragm pump Wilden dan spare part. Pompa diafragma Wilden® dan pompa Stroke DP 25 ALB mempunyai spesifikasi yang sama. Spare part pompa diafragma Wilden® bisa ditukar dengan pompa Stroke.
Deskripsi pompa : Diaphragm pump adalah pompa yang bekerja dengan udara dari kompresor dan pompa diafragma cocok sekali untuk menggunakan dengan fluida yang mudah terbakar.
Aplikasi diaphragm pump Wilden T2 : Bahan bakar bensin, solar, kerosene, jet A1, air tawar, air laut, oli mesin, minyak, oli hidrolik, oli kotor, minyak sawit, minyak mentah dan lain-lain.
Spesifikasi diaphragm pump Wilden T2 :
| Ukuran | 1" x 3/4" |
| Inlet & Outlet | Drat dalam NPT |
| Kapasitas / Debit | Hingga 132 Lpm (7,92 m3/jam) |
| Tekanan / Pressure | Hingga 8,2 Bar (120 psi) |
| Angkat hisap / Suction lift | Hingga 5,18 Mtr |
| Viskositas fluida | Hingga 5000 Cps |
| Suhu fluida | Hingga 80° Celsius |
| Ukuran partikel | 3,2 mm |
| Inlet udara | 1/4" NPT |
| Exhaust (Outlet) udara | 1/2" NPT |
| Kebutuhan udara | Hingga 25 CFM (0,72 m3 / menit) |
| Kebutuhan tekanan | Hingga 125 psi (8,6 Bar) |
NOTE : Viskositas fluida di atas 5000 Cps ? Hubungi kami untuk konsultasi produk.
Bahan konstruksi diaphragm pump Wilden T2 :
| Casing (Wetted parts) | Aluminium |
| Center section |
Aluminium |
| Diaphragm (Membran) |
Buna-N / Nitrile / NBR |
| Diaphragm (Membran) Back-up | N/A |
| Bola |
Buna-N / Nitrile / NBR |
| Valve seal (Dudukan bola) |
Buna-N / Nitrile / NBR |
| Air inlet valve |
Brass |
Note :
| Capacity dan head pompa di atas untuk fluida dengan berat jenis 1,0 dan suhu 30° Celsius. |
| Mohon melihat kurva pompa untuk memilih kapasitas & head pompa sesuai kebutuhan nya. |
| Wajib menggunakan alat F.R.L. (Filter, Regulator, Lubricator) dengan pneumatic diaphragm pump. |
Anda dapat beli produk tersebut langsung di :
PT. Devsaan Industech, LTC Glodok, Jakarta Barat, DKI Jakarta 11180










Hubungi sales kami di Whatsapp 081388920119 / 087782736393


Halo! Butuh pompa ? Boleh saya bantu ? 💁
