Hubungi sales kami di Whatsapp 081388920119 / 087782736393
Buka aplikasi seluler


Sales DevsaanSenin - Jumat: 09:00 - 17:00 & Sabtu: 09:00 - 15:00
Halo! Butuh pompa ? Boleh saya bantu ? 💁
Jual Diaphragm Pump DPB 75 ALB Pompa Diafragma Stroke - Bahan Aluminium / Buna-N (Bersertifikat CE)
STROKE Diaphragm Pump Indonesia : Importir & Distributor tunggal PT. Devsaan Industech. Kami jual diaphragm pump Stroke dan spare part. Pompa diafragma Stroke setara dengan Wilden® pump dan spare part pompa diafragma Stroke bisa ditukar dengan pompa Wilden®.
Deskripsi pompa : Diaphragm pump adalah pompa yang bekerja dengan udara dari kompresor dan pompa diafragma cocok sekali untuk menggunakan dengan fluida yang mudah terbakar.
Aplikasi diaphragm pump DPB 75 ALB: Bahan bakar bensin, solar, kerosene, jet A1, air tawar, air laut, oli mesin, minyak, oli hidrolik, oli kotor, minyak sawit, minyak mentah dan lain-lain.
Kode IMPA : 59.16.04
Sertifikasi ATEX Explosion proof : ll 2 GD Ex h IIC T6 Gb Ex h IIIC T85⁰C Db (IP65)
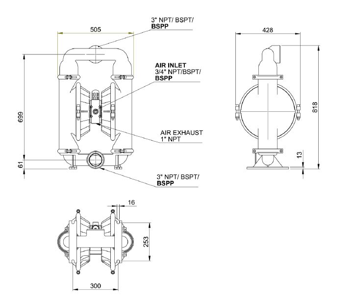
Spesifikasi diaphragm pump DPB 75 ALB :
| Ukuran | 3" x 3" |
| Inlet & Outlet | Drat dalam BSPT |
| Kapasitas / Debit | Hingga 833 Lpm (50 m3/jam) |
| Tekanan / Pressure | Hingga 8,2 Bar (120 psi) |
| Angkat hisap / Suction lift | Hingga 5,5 Mtr |
| Viskositas fluida | Hingga 25000 Cps |
| Suhu fluida | Hingga 80° Celsius |
| Ukuran partikel | 9,5 mm |
| Inlet udara | 3/4" NPT |
| Exhaust (Outlet) udara | 1" NPT |
| Desain konstruksi | Clamped |
| Kebutuhan udara | Hingga 125 CFM (3,58 m3 / menit) |
| Kebutuhan tekanan | Hingga 120 psi (8,2 Bar) |
NOTE : Viskositas fluida di atas 25000 Cps ? Hubungi kami untuk konsultasi produk.
Bahan konstruksi diaphragm pump DPB 75 ALB :
| Casing (Wetted parts) | Aluminium |
| Center section |
Aluminium |
| Diaphragm (Membran) |
Buna-N / Nitrile / NBR |
| Diaphragm (Membran) Back-up | N/A |
| Bola |
Buna-N / Nitrile / NBR |
| Valve seal (Dudukan bola) |
Buna-N / Nitrile / NBR |
| Air inlet valve |
Brass |
Note :
| Capacity dan head pompa di atas untuk fluida dengan berat jenis 1,0 dan suhu 30° Celsius. |
| Mohon melihat kurva pompa untuk memilih kapasitas & head pompa sesuai kebutuhan nya. |
| Wajib menggunakan alat F.R.L. (Filter, Regulator, Lubricator) dengan pneumatic diaphragm pump. |
Anda dapat beli produk tersebut langsung dari importir dan distributor tunggal di Indonesia :
PT. Devsaan Industech, LTC Glodok, Jakarta Barat, DKI Jakarta 11180





Hubungi sales kami di Whatsapp 081388920119 / 087782736393


Halo! Butuh pompa ? Boleh saya bantu ? 💁
