Hubungi sales kami di Whatsapp 081388920119 / 087782736393
Buka aplikasi seluler


Sales DevsaanSenin - Jumat: 09:00 - 17:00 & Sabtu: 09:00 - 15:00
Halo! Butuh pompa ? Boleh saya bantu ? 💁
Jual Ball Valve Polypropylene 2" x 2" BSPT Thread (Stop kran)
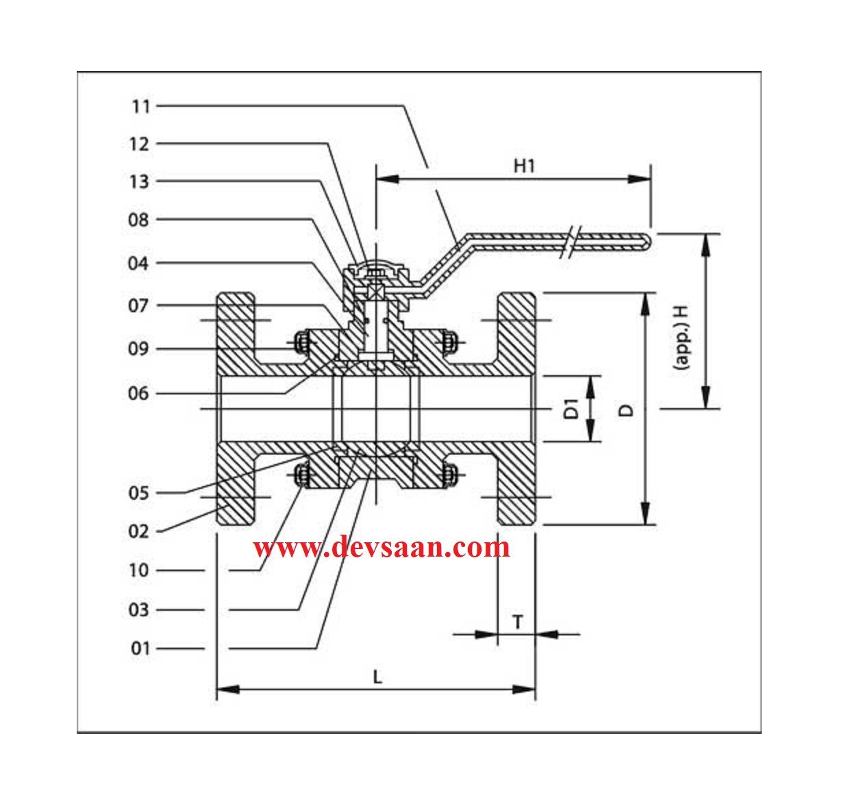
(Dimensi valve dapat dilihat di brosur terlampir)
Spesifikasi Ball Valve Polypropylene BVT-200P :
| Model | BVT-200P |
| Ukuran | 2" (50 mm) x 2" (50 mm) |
| Tipe valve | Ball |
| Desain konstruksi valve | 3 Piece design, 1 Piece stem (Spindle), Full bore, Teflon seated |
| Flange standard | BSPT Thread |
| Warna | Putih |
| Tekanan bekerja (Body & seat) | Hingga 6,9 Bar (100 psi) |
| Suhu bekerja | Hingga 70° Celsius |
| pH fluida | 4~8 |
Bahan konstruksi Ball Valve Polypropylene BVT-200P :
| Part No. | Deskripsi | Bahan |
| 1 | Body | Polypropylene Co-Polymer (Full moulded construction) |
| 2 | Side | Polypropylene Co-Polymer (Full moulded construction) |
| 3 | Ball | Polypropylene Co-Polymer (Full moulded construction) |
| 4 | Stem / Spindle | EN-8 (PP Coated) |
| 5 | Seat Ring | PTFE |
| 6 | Connector seal | Viton |
| 7 | Stem Seal Ring | PTFE |
| 8 | Stem O-Ring | Viton |
| 9 | Stud, Nut & Washer | EN-8 |
| 10 | Nut Cap | Polypropylene |
| 11 | Handle | EN-8 (PP Coated) |
| 12 | Handle Hex Pin | EN-8 |
| 13 | Handle Cap | Polypropylene |
Anda dapat beli produk tersebut langsung dari importir dan distributor tunggal di Indonesia :
PT. Devsaan Industech, LTC Glodok, Jakarta Barat, DKI Jakarta 11180





Hubungi sales kami di Whatsapp 081388920119 / 087782736393


Halo! Butuh pompa ? Boleh saya bantu ? 💁
